
Артикул: 121109.3000.000.001
Цена по запросу
По предзаказу: срок ожидания заказа — 10-14 рабочих дней
Цена на многие товары на сайте указана при условии самовывоза со склада МО, г.о. Павловский Посад, а также в г. Ростов-на-Дону. Точная стоимость товара зависит от города отгрузки (уточняйте у наших менеджеров).
Возможна доставка через ТК по всей России (стоимость доставки уточняйте у наших менеджеров).
Обращаем ваше внимание на то, что данный сайт носит исключительно информационный характер и ни при каких условиях не является публичной офертой, определяемой положениями Статьи 437 Гражданского кодекса Российской Федерации. Для получения подробной информации об ассортименте, стоимости и условиях продажи товара и услуг, пожалуйста, обращайтесь к сотрудникам нашей компании.
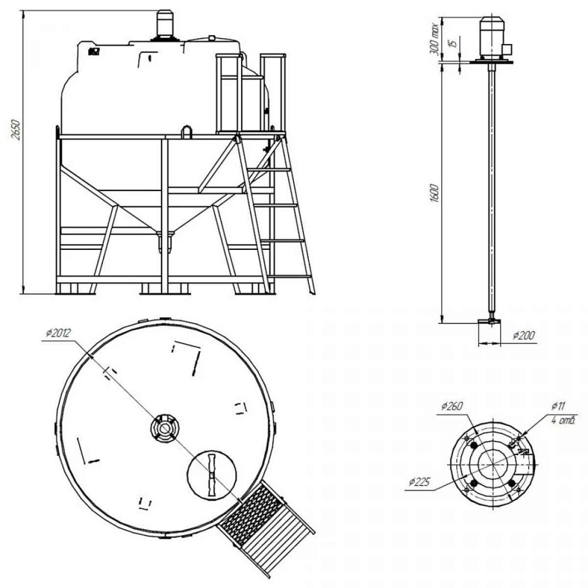
ДxШxВ: 2050x2050x2650Консультация по товару
Мешалка специально подобрана для емкости ЦКТ 3000 литров с учетом габаритов и конструктивных особенностей емкости. Для установки мешалки вырезаны все необходимые отверстия в емкости, вам остается только прикрутить крепления мешалки к емкости. Емкость и мешалка транспортируются отдельно друг от друга в целях сохранности. Вам не нужно ломать голову над установкой мешалки. Мы обо всем позаботились!
Как подобрать мешалку
Заполнить опросный лист для подбора мешалки.
Все части мешалки, имеющие контакт с жидкостью, изготовлены из коррозийно стойкого материала – композита, что в том числе обеспечивает повышенную стойкость к абразиву. Мешалки из композитного материала устойчивы к химически агрессивными жидкостям. Обязательно проверьте таблицу химической стойкости мешалок!
Емкости с пропеллерными мешалками используются в химической промышленности, водоподготовке и водоочистке для поддержания постоянной концентрации известкового молока, быстрого растворения соли, приготовления электролитов и химических реагентов. Данный тип мешалок – быстроходный.
| Мощность двигателя, кВт | Частота вращения вала, об/мин | Длина вала, мм | Диаметр лопасти, мм | Вес, кг |
|---|---|---|---|---|
| 1,1 | 900 | 1600 | 200 | 14 |
Мешалки предназначены для перемешивания жидкости с максимальной плотностью 1,3 г/см3, динамической вязкостью жидкой фазы ‐ 6 Ра/сек.
Технические преимущества быстроходных пропеллерных мешалок:
Для пропеллерных мешалок возможны дополнительные опции:
Установка более мощного двигателя - при плотности жидкости более 1,3 г/м3 и/или вязкости жидкой фазы более 6 Ра/сек.
Сферы применения емкостей с мешалками:
Компания оставляет за собой право вносить изменения в характеристики продукции, не ухудшающих качество товара, без уведомления потребителей.

ДxШxВ: 2000x2000x1950Цена по запросу
Подробнее
ДxШxВ: 1265x1265x1880Цена по запросу
Подробнее
Цена по запросу
Подробнее
ДxШxВ: 570x570x1650Цена по запросу
ПодробнееОбращаем ваше внимание на то, что данный сайт носит исключительно информационный характер и ни при каких условиях не является публичной офертой, определяемой положениями Статьи 437 Гражданского кодекса Российской Федерации. Для получения подробной информации об ассортименте, стоимости и условиях продажи товара и услуг, пожалуйста, обращайтесь к сотрудникам нашей компании.
© 2026 ООО «Пластикбак.ру». Все права защищены.