
Артикул: 121111.5000.000.000
Цена по запросу
По предзаказу: срок ожидания заказа — 10-14 рабочих дней
Цена на многие товары на сайте указана при условии самовывоза со склада МО, г.о. Павловский Посад, а также в г. Ростов-на-Дону. Точная стоимость товара зависит от города отгрузки (уточняйте у наших менеджеров).
Возможна доставка через ТК по всей России (стоимость доставки уточняйте у наших менеджеров).
Обращаем ваше внимание на то, что данный сайт носит исключительно информационный характер и ни при каких условиях не является публичной офертой, определяемой положениями Статьи 437 Гражданского кодекса Российской Федерации. Для получения подробной информации об ассортименте, стоимости и условиях продажи товара и услуг, пожалуйста, обращайтесь к сотрудникам нашей компании.
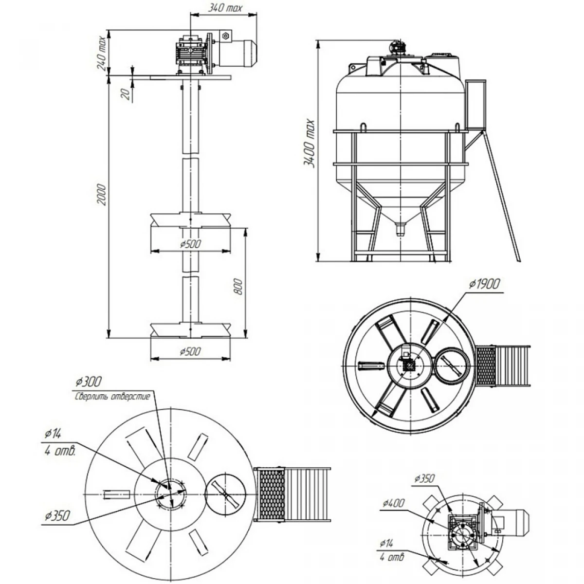
ДxШxВ: 2050x2050x3400Консультация по товару
Мешалка предназначена для перемешивания в системе "жидкость-жидкость" (Ж-Ж)
Емкость ЦКТ 5000 литров в обрешетке имеет конусное дно, что обеспечивает полный слив жидкости без остатка.Емкости с двухъярусными лопастными мешалками используются для приготовления и поддержания консистенции различных растворов, в том числе для растворов дезинфекции, антисептиков и растворов для стерилизации..
Два яруса лопастей обеспечивают эффективное перемешивание жидкости в нижней и верхней части емкости.
Мешалки предназначены для перемешивания жидкости с максимальной плотностью 1,3 г/см, динамической вязкостью жидкой фазы ‐ 1 Ра/сек. Данный тип мешалок тихоходный.
Материал изготовления вала и рабочего колеса - композит (полиэфирная или эпоксидная смола, армированная стекловолокном), что обеспечивает повышенную стойкость к абразиву. Мешалки из композитного материала обладают отличной механической прочностью, устойчивы к химически агрессивными жидкостям.
Гораздо надёжнее и энергоэффективнее металлических аналогов.
Мешалка специально подобрана для емкости ЦКТ 5000 с учетом габаритов и конструктивных особенностей емкости. Емкость ЦКТ 5000 литров в обрешетке поставляется с уже установленной на специальную крышку мешалкой. Вам не нужно ломать голову над установкой мешалки. Мы обо всем позаботились!
| Мощность двигателя, кВт | Частота вращения вала, об/мин | Длина вала, мм | Диаметр рабочего колеса, мм | Вес, кг |
|---|---|---|---|---|
| 0,55 | 56 | 2000 | 500 | 22 |

Технические преимущества тихоходных лопастных мешалок:
Подробную техническую и графическую информацию см. в паспорте на данную емкость.
Особенности установки
Лопастные мешалки необходимо устанавливать по центру емкости для обеспечения равномерного перемешивания раствора. Мешалки весом до 25 кг устанавливаются непосредственно на крышку емкости. Крышка также выполнена из композитного материала.
Для лопастных мешалок возможны дополнительные опции:
Сферы применения емкостей с мешалками:
Объем - 5000 л
Серия - ФМ/ЦКТ
Форма емкости - Конусообразная
Назначение - Для воды
Расположение - Вертикальное
Тип эксплуатации - В обрешетке
Тип мешалки - Лопастная
Мерная шкала - Есть
Слив - Полный
Диаметр горловины - 0 мм
Вес - 334 кг
Длина - 2050 мм
Ширина - 2050 мм
Высота - 3400 мм
Артикул - 121111.5000.000.000
Компания оставляет за собой право вносить изменения в характеристики продукции, не ухудшающих качество товара, без уведомления потребителей.

Цена по запросу
Подробнее
ДxШxВ: 800x800x1425Цена по запросу
Подробнее
ДxШxВ: 670x670x1925Цена по запросу
Подробнее
ДxШxВ: 555x555x710Цена по запросу
ПодробнееОбращаем ваше внимание на то, что данный сайт носит исключительно информационный характер и ни при каких условиях не является публичной офертой, определяемой положениями Статьи 437 Гражданского кодекса Российской Федерации. Для получения подробной информации об ассортименте, стоимости и условиях продажи товара и услуг, пожалуйста, обращайтесь к сотрудникам нашей компании.
© 2026 ООО «Пластикбак.ру». Все права защищены.