
Артикул: 171.0000.000.008
Цена по запросу
По предзаказу: срок ожидания заказа — 10-14 рабочих дней
Цена на многие товары на сайте указана при условии самовывоза со склада МО, г.о. Павловский Посад, а также в г. Ростов-на-Дону. Точная стоимость товара зависит от города отгрузки (уточняйте у наших менеджеров).
Возможна доставка через ТК по всей России (стоимость доставки уточняйте у наших менеджеров).
Обращаем ваше внимание на то, что данный сайт носит исключительно информационный характер и ни при каких условиях не является публичной офертой, определяемой положениями Статьи 437 Гражданского кодекса Российской Федерации. Для получения подробной информации об ассортименте, стоимости и условиях продажи товара и услуг, пожалуйста, обращайтесь к сотрудникам нашей компании.
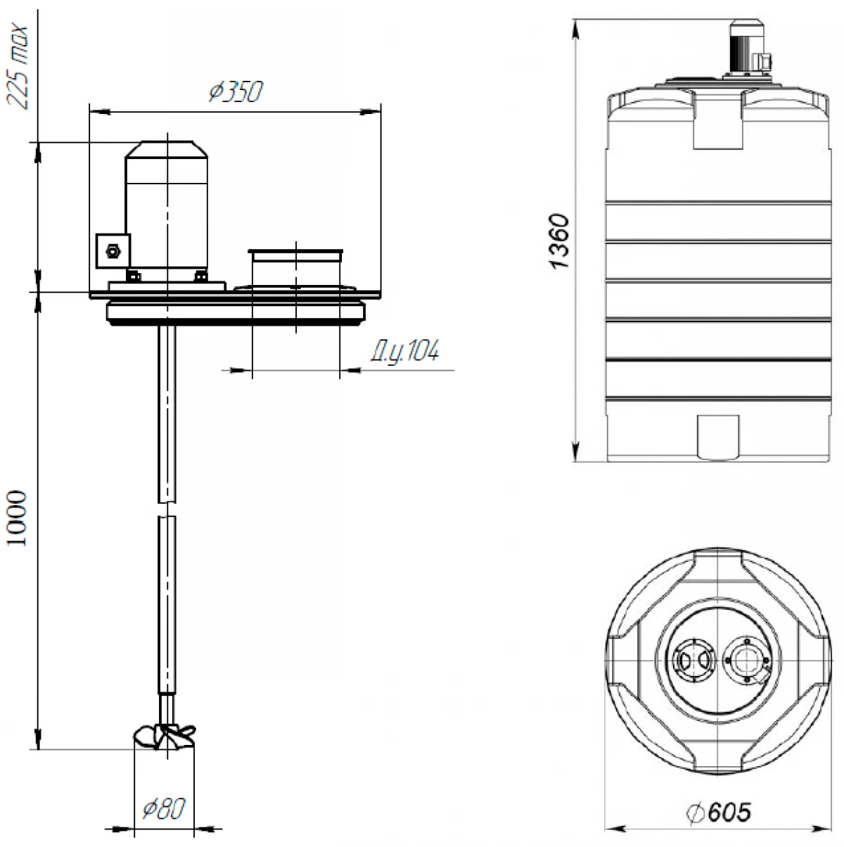
ДxШxВ: 605x605x1370Консультация по товару
Мешалка специально подобрана для емкости Т 300 литров с учетом габаритов и конструктивных особенностей емкости. Емкость Т 300 литров поставляется с уже установленной мешалкой. Вам не нужно ломать голову над установкой мешалки.
Мы обо всем позаботились!
Все части мешалки, имеющие контакт с жидкостью, изготовлены из коррозийно стойкого материала – композита, что в том числе обеспечивает повышенную стойкость к абразиву. Мешалки из композитного материала устойчивы к химически агрессивными жидкостям.
Емкости с пропеллерными мешалками используются в химической промышленности, водоподготовке и водоочистке для поддержания постоянной концентрации известкового молока, быстрого растворения соли, приготовления электролитов и химических реагентов. Данный тип мешалок – быстроходный.
| Мощность двигателя, кВт | Частота вращения вала, об/мин | Длина вала, мм | Диаметр лопасти, мм | Вес, кг |
|---|---|---|---|---|
| 0,25 | 1400 | 1000 | 80 | 9 |
Мешалки предназначены для перемешивания жидкости с максимальной плотностью 1,3 г/см3, динамической вязкостью жидкой фазы ‐ 6 Ра/сек.
Технические преимущества быстроходных пропеллерных мешалок:
Особенности установки пропеллерных мешалок
Турбинные мешалки необходимо устанавливать на емкость в соотношении 1/3 к 2/3 относительно диаметра для обеспечения равномерного перемешивания раствора.
Мешалки весом до 25 кг устанавливаются непосредственно на крышку или ребра емкости. Крышка также выполнена из композитного материала.
Турбинные мешалки весом более 25кг необходимо устанавливать на металлическую опору, чтобы исключить нагрузку на емкость. Металлическая конструкция изготавливается индивидуально под каждую емкость. Чертежи согласовываются с заказчиком после внесения предоплаты за поставку.
Для пропеллерных мешалок возможны дополнительные опции:
Установка более мощного двигателя - при плотности жидкости более 1,3 г/м3 и/или вязкости жидкой фазы более 6 Ра/сек.
Сферы применения емкостей с мешалками:
| Прочие | ||
| Объем, л | 300 | |
| Серия | Серия T/TOR | |
| Вес, кг | 18 | |
| Назначение | Для воды | |
| Расположение | Горизонтальное | |
| Тип эксплуатации | Наземная эксплуатация / С мешалкой | |
| Тип мешалки | Пропеллерная | |
| Плотность вещества макс, г/см³ | 1.0 | |
| Артикул | 171.0000.000.008 | |
Компания оставляет за собой право вносить изменения в характеристики продукции, не ухудшающих качество товара, без уведомления потребителей.

ДxШxВ: 2050x2050x2750Цена по запросу
Подробнее
ДxШxВ: 1700x1700x1850Цена по запросу
Подробнее
ДxШxВ: 1265x1265x1880Цена по запросу
Подробнее
Цена по запросу
ПодробнееОбращаем ваше внимание на то, что данный сайт носит исключительно информационный характер и ни при каких условиях не является публичной офертой, определяемой положениями Статьи 437 Гражданского кодекса Российской Федерации. Для получения подробной информации об ассортименте, стоимости и условиях продажи товара и услуг, пожалуйста, обращайтесь к сотрудникам нашей компании.
© 2026 ООО «Пластикбак.ру». Все права защищены.